4. 广告灯的左移右移
1. 实验任务
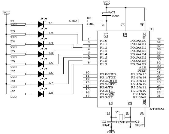
做单一灯的左移右移,硬件电路如图4.4.1所示,八个发光二极管L1-L8分别接在单片机的P1.0-P1.7接口上,输出“0”时,发光二极管亮,开始时P1.0→P1.1→P1.2→P1.3→┅→P1.7→P1.6→┅→P1.0亮,重复循环。
2. 电路原理图
图4.4.1
3. 系统板上硬件连线
把“单片机系统”区域中的P1.0-P1.7用8芯排线连接到“八路发光二极管指示模块”区域中的L1-L8端口上,要求:P1.0对应着L1,P1.1对应着L2,……,P1.7对应着L8。
4. 程序设计内容
我们可以运用输出端口指令MOV P1,A或MOV P1,#DATA,只要给累加器值或常数值,然后执行上述的指令,即可达到输出控制的动作。
每次送出的数据是不同,具体的数据如下表1所示
|
P1.7 |
P1.6 |
P1.5 |
P1.4 |
P1.3 |
P1.2 |
P1.1 |
P1.0 |
说明 |
|
L8 |
L7 |
L6 |
L5 |
L4 |
L3 |
L2 |
L1 |
|
|
1 |
1 |
1 |
1 |
1 |
1 |
1 |
0 |
L1亮 |
|
1 |
1 |
1 |
1 |
1 |
1 |
0 |
1 |
L2亮 |
|
1 |
1 |
1 |
1 |
1 |
0 |
1 |
1 |
L3亮 |
|
1 |
1 |
1 |
1 |
0 |
1 |
1 |
1 |
L4亮 |
|
1 |
1 |
1 |
0 |
1 |
1 |
1 |
1 |
L5亮 |
|
1 |
1 |
0 |
1 |
1 |
1 |
1 |
1 |
L6亮 |
|
1 |
0 |
1 |
1 |
1 |
1 |
1 |
1 |
L7亮 |
|
0 |
1 |
1 |
1 |
1 |
1 |
1 |
1 |
L8亮 |
表1
5.
程序框图
图4.4.2
6. 汇编源程序
ORG 0
START: MOV R2,#8
MOV A,#0FEH
SETB C
LOOP: MOV P1,A
LCALL DELAY
RLC A
DJNZ R2,LOOP
MOV R2,#8
LOOP1: MOV P1,A
LCALL DELAY
RRC A
DJNZ R2,LOOP1
LJMP START
DELAY: MOV R5,#20 ;
D1: MOV R6,#20
D2: MOV R7,#248
DJNZ R7,$
DJNZ R6,D2
DJNZ R5,D1
RET
END
7. C语言源程序
#include <AT89X51.H>
unsigned char i;
unsigned char temp;
unsigned char a,b;
void delay(void)
{
unsigned char m,n,s;
for(m=20;m>0;m--)
for(n=20;n>0;n--)
for(s=248;s>0;s--);
}
void main(void)
{
while(1)
{
temp=0xfe;
P1=temp;
delay();
for(i=1;i<8;i++)
{
a=temp<<i;
b=temp>>(8-i);
P1=a|b;
delay();
}
for(i=1;i<8;i++)
{
a=temp>>i;
b=temp<<(8-i);
P1=a|b;
delay();
}
}
}