38粒LED前照灯杯+电路板+38粒LED+电源板+电源部分的所有元件,一整套元件全部配齐13.8元,元件不多,这就要发挥你平常组装能力才行。大家也可以利用此次安装来锻炼或测试自己的组装成力,是否能一次组装成功。 尺寸:ф60mm×H80mm 额定电压:180~250VAC,50/60Hz 额定功率:2W 使用场合:适合商用照明,家用照明,壁灯等。
电路板图如下:
其它元件:

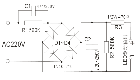
电源原理图如下:

装好的成品如下图所示:



LED节能灯小常识
环保节能LED照明灯泡的优点:
◇高效节能 LED节能灯耗电量不到普通灯泡耗电量的十分之一 ,同样的亮度,节能效果非常明显。
◇超长寿命 本产品属于小功率半导体产品,正常使用几年很少会出问题,而普通灯泡的寿命则一般不长,是因为普通灯泡的钨丝热胀冷缩过程中很容易造成断丝,这也是传统灯泡的致命弱点。另外LED本身正向压降具有一定的恒压作用,所以能在较宽的电压范围下正常工作。
◇光线健康 光线中不含紫外线和红外线,无辐射,普通节能灯管和白炽灯光线中含有紫外线和红外线;
◇绿色环保 不含汞和铅等有害元素,得利于回收和利用,而且不会产生电磁干扰,普通灯管中含有汞和铅等有害元素,节能灯中的电子镇流器会产生电磁干扰;
◇保护视力 直流驱动,无频闪,普通灯都是交流驱动,就必然产生频闪; ◇光效率高 发热小,90%的电能转化为可见光,普通白炽灯80%的电能转化为热能,仅有20%电能转化为可见光;
◇安全系数高 所需电压、电流较小,发热较少,无安全隐患,可用于矿场等危险场所;
“led灯”广泛用于:
(一)家庭照明、装饰、客厅、卧室、壁灯、台灯、卫生间、阳台、厨房、顶灯、吧台、庭院、私家园林、景观照明。用电为此大幅小降。为了防盗,许多家庭把“led灯”变成“不花钱”的防盗灯,威慑盗贼,一夜开到天亮。
(二)学校、医院、工厂、办公室、商厦、写字楼、用于伏案工作的台灯,走廊、楼梯照明。
(三)市政照明、银行、基础设施、体育馆、机场、影院、工业设施、公共卫生。 (四)饭店、宾馆、酒店、商厦、招待所、超市、冷饮、蛋糕店、熟食店、酒吧、咖啡店、茶楼、文化娱乐、商业场所。
(五)广告、会展、演出、装饰。 (六)农村电力不足地区,在农村节俭的农民经常用15-25W的白焕灯照明,建设新农村“一度灯”农村市场巨大。
查看和发表评论 管理员一般会在8-48小时内回复,会删除无意义的留言以及重复留言,请保证留言标题清晰,内容明确! 1、评论不代表本站观点。 另外,即使是本站原创作品,本站也不保证内容绝对正确。 2、如果您拥有本文版权,并且不想在此处发表,请书面通知本站立即删除并且向您公开道歉! |