|
本电路可以把单节1.5V电压电池升高到9左右的电压后,驱动4个LED发光或供给其他需要高电压低电流的地方使用,例如代替万用表的9V积层电池。
一、目的及要求:
l 通过对本制作的安装、焊接、测试,了解电子产品的内部构造,训练动手能力,掌握元器件的识别、简易测试以及整机调试工艺。
l 熟练使用电烙铁、剪钳、万用电表等电子工具。
l 对照电路原理图,了解工作原理,图上符号,并与实物对照。
l 认真仔细的安装焊接,排除安装焊接过程中出现的故障。
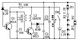
二、电路原理图及工作原理:
成品效果图 内部效果图
C1、L1、L2、R1、Q2组成振荡器,电路振荡后,在Q2的集电极感应出很高的交流电压,经D1整流,C2滤波后,一路送到输出插座;另一路反馈回去控制振荡器,当电压升高到稳压二极管VD的击穿电压后8.9V(8.2V+0.7V)后,二极管VD击穿导通,Q1导通,Q2的基极电压被拉低,使得振荡电路停止振荡。输出电压降低,当降低到稳压二极管VD的击穿电压后,二极管VD截止,Q1截止,Q2的基极电压又恢复到放大状态,振荡电路又起振工作,输出电压又开始上升。就这样一直重复着,使输出电压稳定在8.9V左右。
套件详细资料:印刷电路板,原理图,元件清单,元件,制作组装步骤说明、透明外壳等等。欢迎大家试作。
查看和发表评论 管理员一般会在8-48小时内回复,会删除无意义的留言以及重复留言,请保证留言标题清晰,内容明确! 1、评论不代表本站观点。 另外,即使是本站原创作品,本站也不保证内容绝对正确。 2、如果您拥有本文版权,并且不想在此处发表,请书面通知本站立即删除并且向您公开道歉! |