注意:访问本站需要Cookie和JavaScript支持!请设置您的浏览器! 打开购物车 查看留言付款方式联系我们
初中电子 单片机教材一 单片机教材二
搜索上次看见的商品或文章:
商品名、介绍 文章名、内容
首页 电子入门 学单片机 免费资源 下载中心 商品列表 象棋在线 在线绘图 加盟五一 加入收藏 设为首页
本站推荐:
实用的可调三端稳压模块
文章长度[562] 加入时间[2006/7/1] 更新时间[2026/1/12 2:17:39] 级别[3] [评论] [收藏]


2003年,第6期,类别:电子技校


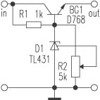
    笔者从电子商场邮购了W-1和W-2两种型号的可调三端稳压模块,其电路如附图所示。经使用后非常满意。
    W-1模块是利用TL431精密稳压源和大功率高反压达林顿三极管D768扩流组合而成,模块已有可调电阻,无须外接元件,使用方便。D768的电流为5A,功率50W,正向最小工作电压1.5V。若输入电压与输出电压之差大于10V时,则需更换R1(R1为1kΩ~2kΩ)。该模块输入电压5V~33V;输出电压为5V~30V连续可调。使用模块时应根据功率大小配备散热片。W-2模块是W-1的增强型,最大输出电流10A,输入电压最大值30V,输出电压25~28V连续可调;最大功耗为100W。

                                    广西  巫红浩



 

1、 本站不保证以上观点正确,就算是本站原创作品,本站也不保证内容正确。
2、如果您拥有本文版权,并且不想在本站转载,请书面通知本站立即删除并且向您公开道歉! 以上可能是本站收集或者转载的文章,本站可能没有文章中的元件或产品,如果您需要类似的商品请 点这里查看商品列表!
本站协议 | 版权信息 |  关于我们 |  本站地图 |  营业执照 |  发票说明 |  付款方式 |  联系方式
深圳市宝安区西乡五壹电子商行——粤ICP备16073394号-1;地址:深圳西乡河西四坊183号;邮编:518102
E-mail:51dz$163.com($改为@);Tel:(0755)27947428
工作时间:9:30-12:00和13:30-17:30和18:30-20:30,无人接听时可以再打手机13537585389